Beijing DK nano technology Co.LTD!     CN EN
         
 
 
Lithium battery mate...
Photocatalyst nano-T...
Ceramic materials
polishing material
Antistatic powder
thermal conductive m...
Textile coatings
wear resistant mater...
catalyst carrier
Nano dispersion
nano nonmetallic
Metal Powder
HOME > Application
Ceramic nano-alumina
Ceramic toughened nano zirconi...
Ceramic nano titanium oxide
Ceramic magnesia
       
Nano silicon carbide
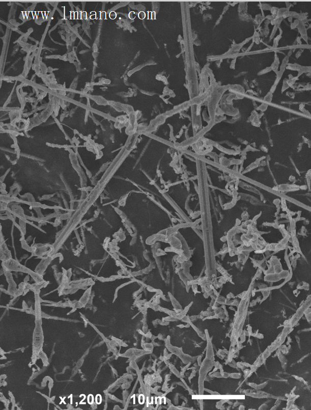
Nano silicon carbide whisker
Silicon carbide whiskers
  上一页 1 下一页  
 
电话:010-64918089 传真:010-64916735
QQ:2607250814 E-MAIL:beijingdaoking@163.com
COPYRIGHT @ 北京德科岛金科技有限公司 www.dknano.com
京ICP备11020949号 京公网安备 51010702000618号

服务热线

135-5244-5604

微信服务号